利用flash软件,打开教学flash文件,在菜单视图——带宽设置选中,用于控制播放点。其他如ie等播放flash无法控制播放点。
为何要将视频中的操作截屏保存到这里?方便查阅,视频教学的最大缺点就是查阅定位很麻烦,没有文字的方便。
这里重点关注水泵的设置
重要说明:如果全部用excel表格来导入设备和对应的参数,就不需要下面大量设置(或绝大部分已经在导入表格里有了参数了)。
水泵定义:





关于比转数和水泵全特性曲线——相当重要!
这里特别注意,在此处是选择了一个接近的比转数泵来分析,在没有泵的全特性曲线情况下,用此种方法,如果有详细的资料,需要录入我们要分析的水泵对应的全特性曲线。详细见参考手册4-243页。可惜在Bentley WaterGEMS V8i的参考手册中,没有这样的内容。关于全特性曲线,有2种模式:圆形模式和suter式。圆形模式就是四象限的坐标,厂家一般都是这样提供的。suter式是“用极坐标表示直角坐标的全特性”——水电站水力过渡过程(武汉水利电力大学)。suter式的优点是以一个比转数ns就可以模拟出对应的全特性曲线来,如此神奇,只有中国人想出来的,在suter的书籍《Suter P.Representiaiton of Pump Characteristics for Calculation of Waterhammer Sulze Reseach Number,1966.》都没有这样的推断,出处是在《刘竹溪,刘光临.泵站水锤及其防护.北京:水利水电出版社,1988,10》,随后,不少论文都围绕如何拟合suter曲线,推求通用全特性曲线(该种方式其实又被证明不是很靠谱)。详细见excel表格——有了全特性曲线,只要一个额定的流量、扬程、扭矩和转速就可以了,不要QH曲线啊,为什么hammer还要呢?P4-193?但是,有了全特性曲线,效率η曲线没有,因为全特性曲线不反映η,所以,hammer提出qη和n~η曲线是对头的。
问题:q~h曲线,是相对流量水头曲线么?《市政给排水软件培训教程》输入的相对流量水头,relative。

设置出水水库高程:

进行模型全局设置
:关于建模就不必看了,用excel数据导入建模在前面已经很清楚了。
进行全局管长自定义设置

可以查看压力管道长度:



水泵有止回阀,水锤最恶劣,先设一个试验一下
进行初始条件计算,稳态条件下的计算。
然后进入瞬态计算
要创建剖面:

稳态计算后创建的剖面,带有压力坡降线
进行波速设置

选择流体

选择管材



管道支撑情况,全部埋地选整个锚固

瞬态计算

设置瞬态时间

选择时间180s





看某一点的情况:


开始添加防水锤设备
即替换一个节点为截流控制阀,在泵的下一个节点。


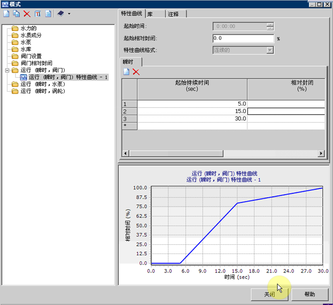
新建阀门的特性曲线


选择刚定义的阀运行规则

修改水泵出口阀为控制阀:

取消泵出口阀门
即修改为控制阀,并始终打开(时间为9999秒)
是不是改变了一个节点为截流控制阀,所以要重新进行初始计算?
computer initial conditions
然后进行瞬态计算:
compute

优化阀的特性曲线
——延缓关闭时间。
改变调流阀的曲线后重新计算,不用初始条件计算了。
查看泵的转速,反转情况。

水泵运行时刻 流量 转速 泵前压力 泵后压力
下面研究关阀的方式
最后编辑:秦晓川 更新时间:2024-03-05 08:45