参数化范围讨论
因为BIM涉及工具繁多,学习成本和投入精力太大,为简化起见,不追求系统和全生命周期这种热度,减少大部分工程师过渡到三维的难度,第一步仅建立建筑物的参数化三维模型,不包含GIS和场地开挖等。
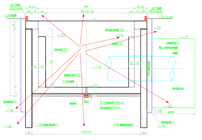
布置图仍然采用平面二维方式
建筑物用参数化三维模型和对应的工程图(二维+尺寸标注),不限于软件,从参数化的便捷性角度,从软件容易获得,参建各方容易查看结果,推荐freecad
钢筋图用参数化标准图集,含excel表格计算工程量、mathcad或excel表格计算书。
通过建立参数化的模板,采用 CAD——选择字段——鼠标右键——插入字段——字段类别 选择 对象——字段名称 选择 公式——点单元按钮——选择cad中表格对应的的单元格
cad表格链接到excel表格:CAD–绘图–表格–插入选项(选中数据连接,然后点右边小框框)–创建Excel数据连接–名称(随便)–文件路径(Excel与CAD必须同一文件夹才可以实现连接)–选范围,OK
如上设置后,更改excel表格数据,cad中的表格数据自动更新,图中标注或说明文字的字段,如果有引用cad表格的,用regen命令更新……细致步骤见分院盾构标准化汇报PPT。
CAD参数赋值工具(与FC无关)
如果用了上述cad中标注的尺寸数据关联到cad表格中数据,cad表格又关联到excel表格,则修改excel表格即可自动更新cad图形标注上的尺寸数据了。不用采用下列方式工具修改了。无论何种方式,仅仅是修改尺寸数值,并没有修改图形。
通过建立参数化的模板,采用VB代码,一次性将参数值赋予图中的参数表达式得出结果,包括:
- 结构图上的尺寸标注参数表达式,根据参数表,将表达式转为具体数值;

- 钢筋表中钢筋型式上的参数表达式,根据参数表,将表达式转为具体数值;

- 钢筋图上根据钢筋编号,将钢筋表中对应的钢筋直径和间距标注到钢筋图上。

作者:秦晓川 创建时间:2023-03-14 20:10
最后编辑:秦晓川 更新时间:2026-03-03 15:41
最后编辑:秦晓川 更新时间:2026-03-03 15:41